This Tiny25 Proto Board is for all these one-off projects and prototypes. You want it more permanent than on a breadboard but don’t want make a custom PCB for it. The board comes with 10 components only and is really easy to solder.
Best of all, it comes with its own battery holder for 3 AA cells.
Parts
The following parts are needed:
- ATtiny25V-10PU, microcontroller, Digikey
- Socket, 8-pin, Digikey
- Capacitor 100n, Digikey
- Capacitor 100u, Digikey
- Resonator, 8 MHz, Digikey
- Resistor, 10k, Digikey
- Button, Digikey
- 6-pin ISP header, Digikey
- Jumper, Digikey
- Battery holder for 3 AA batteries with switch, Digikey
- Tiny25 Proto PCB, Tinker Store (sorry, no longer available)
To assemble everything, the following tools are required:
- Soldering iron and solder
- Solder wick (optional)
- Third hand or panavise. Not really required, but very helpful
- Diaglonal cutters
To run the board, you will need an ISP programmer to load your program into the microcontroller.
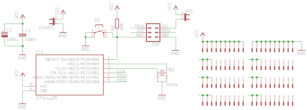
Schematic
The schematic for this proto board is rather simple. It has a jumper, that lets you select if you want to power the board from the programmer. Note, that there is no voltage regulator on board. Most circuits run fine with ~4.5 V provided by 3 AA cells.
Solder it
First go with the capacitors and the 10k resistor. The 100u capacitor, the black one, has a positive and a negative lead. Insert like above and let the negative side point to the right. The negative side on the capacitor is marked with a grey strip. Also the negative lead is short than the other one. For the 100n capacitor and the resistor the polarity does not matter.
Bent the leads of all components slightly apart so that they don’t fall off if you swap the board. Then solder them.
After that, cut off the leads.
Now insert the button and the resonator.
Solder them as well.
Next insert the 8-pin socket. Check, that the small notch points towards you.
Solder it.
Up to the 6-pin ISP header. Insert it.
You can try to use a bit of tape to keep the ISP header in place.
Yes, solder it.
Proceed the same with the small 2-pin header and the jumper.
Insert the microcontroller. You might have to bent all legs a bit inwards to make it snap into the socket. Also check, that the small notch or dot on the controller points towards the notch of the socket.
Insert and solder the wires of the battery holder. You may want to shorten the cables. Depends on how you plan to use the board.
So, soldering is done!
Program it
< the magic happens here, you have an idea, a circuit and a program >
Next stop, plug in you programmer into the 6-pin ISP header. There is a small 1 on the PCB to show you how to plug it in. Note, if you want to power the board from you ISP programmer, then put the jumper JP1 on. If you want to power the board from its own power supply, then pull the jumper off and switch the power on.
Remember, prototyping is great! Always beta!!1
Downloads and Links
- Eagle CAD Schematic and Board, tiny25proto.zip
















